首頁 > 產品項目 > 扭力限制器 > 摩擦式扭力限制器

摩擦型扭力限制器

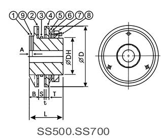
規格
No.
扭力範圍
Torque Range
Kgf.m
標準
孔徑
Stock
Bore
Mm
最大
孔徑
Max.
Bore
Mm
軸襯
長度
Bushing
Outside diameter
軸襯外徑
Bushing
Ouside
Diameter
中心機件
孔徑
Central
Men ber
Bore
D DH L B T t S
最大
A C 調整
螺母
Adjust
Bolt
調整螺栓
Adjust
Bolt
固定
螺絲
Fixing
Screw
重量
Weight
(Kgf)
SS200-1 0.3~1 8 14 3.6 30-0.024
-0.049
30+0.3
0
50 24 29 6.5 2.6 2.5 7 - 38 M24
P1.0
- - 0.2
SS250-1 0.7~2.8 10 22 4.5 41-0.010
-0.045
41+0.05
0
65 35 48 16 4.5 3.2 9 4 50 M24
P1.0
- M5 0.5
SS350-1 2.0~7.6 17 25 6.5 49-0.025
-0.065
49+0.05
0
89 42 62 19 4.5 3.2 16 6 63 M36
P1.5
- M6 1.2
SS500-1 4.8~21.4 20 42 6.5 74-0.05
-0.010
74+0.05
0
127 65 76 22 5.7 3.2 16 7 - M42
P1.5
M8
3psc
M8 3
SS700-1 11.8~58.1 30 64 9.5 105-0.075
-0.125
105+0.05
0
178 95 98 24 7.7 3.2 29 8 - M96
P1.5
M10
3psc
M10 6.7
摩擦式扭力限制器聯軸器尺寸表及鏈輪之配合參考表

規格
NO.
扭力範圍
Torque Range
Kgf.m
最高轉數
Max.
Rote tio nol
Frequency
rpm
普通內徑/Stock Bore 最大內徑
Max. Inside Diameter
鏈輪
Sproclet
D DH L L1 L2 s 重量
Weight
(Kgf)
SS200-1C 0.3~1 1200 8 8 31 14 RS 40-16T 76 50 55 24 29 7.5 1.0
SS200-2C 0.7~2
SS250-1C 0.7~2.8 1000 13 10 38 22 RS 40-22T 102 56 76 25 48 7.4 2.0
SS250-2C 1.4~5.5
SS350-1C 2.0~7.6 800 13 17 45 25 RS 50-24T 137 72 103 37 62 9.7 5.2
SS350-2C 3.5~15.2
SS500-1C 4.8~21.4 500 18 20 65 42 RS 60-28T 188 105 120 40 76 11.6 12.3
SS500-2C 9.0~42.9
SS700-1C 11.8~58.1 400 23 30 90 64 RS 80-28T 251 150 168 66 98 15.3 31.0
鏈輪之配合參考表/Applicable Sprockets
規格
NO.
中心構件
Central
Mem ber
Bore
最小鏈輪節距和齒數/Min. Sprocket Pitch and Number of Teeth
3/8” -#35 1/2” -#40 5/8” -#50 3/4” -#60 1” -#80 11 /4” -#100 11 /2” -#120
最小鏈輪齒數
Min. Sprocket Teeth
軸襯長度
Bushing
length
(mm)
最小鏈輪齒數
Min. Sprocket Teeth
軸襯長度
Bushing
length
(mm)
最小鏈輪齒數
Min. Sprocket Teeth
軸襯長度
Bushing
length
(mm)
最小鏈輪齒數
Min. Sprocket Teeth
軸襯長度
Bushing
length
(mm)
最小鏈輪齒數
Min. Sprocket Teeth
軸襯長度
Bushing
length
(mm)
最小鏈輪齒數
Min. Sprocket Teeth
軸襯長度
Bushing
length
(mm)
最小鏈輪齒數
Min. Sprocket Teeth
軸襯長度
Bushing
length
(mm)
SS200 30+0.03
0
20 38 16 6                    
SS250 41+0.05
0
    20 4.5 17 6.5                
SS350 49+0.05
0
    26 4.5 21 6.5 18 9.5 15 9.5        
SS500 74+0.05
0
    35 4.5 29 6.5 25 9.5 19 9.5        
SS700 105+0.05
0
    48 4.5 39 6.5 33 9.5 26 9.5 21 12.5 18 12.5
注意事項/Note
  1. 中心機件之摩擦面必須研磨加工以得額定之扭力,並成為平坦、平行,與內徑相垂直,不含任何灰塵,銹皮或油污為宜。
    The friction surface of central member must be polished to gain the rated torque to provide flatness, parallel and perpendicularity to inside diameter, and to retain freed from dust, burr or oil.
  2. 內環之選擇不可大於中心構件的寬度,中心機件最大厚度見表中之S尺寸。
    The inner ring is no greater than the width of central member. Please refer to the S dimention in the table to seek for the max. thickness of central part.
扭力值與迫緊螺帽調整關係圖