連結官網
公司簡介
產品項目
扭力限制器
免鍵式軸環
送風機
鼓風機
集塵機
變頻器
馬達
滾珠螺桿
減速機
聯軸器
滑軌
軸承
其他產品
網站導覽
聯絡我們
首頁
軸承
滑軌
聯軸器
減速機
馬達
變頻器
集塵機
鼓風機
送風機
免鍵式軸環
滾珠螺桿
扭力限制器
其他產品
首頁
>
產品項目
>
馬達
>
無刷馬達
工業用直流無刷馬達
無刷馬達特點
a. 低噪音、低電磁干擾,免保養。
b. 特殊專利設計,運轉平順,增強可靠度。
c. 比傳統馬達擁有更多優點,體積小、重量輕、高功率、高扭力及高效率。
d. 寬廣的高效率轉速操作範圍,十分適合負載變化大,速度變化多的操作條件,這些優點是一般傳統馬達無法達到的。
e. 馬達內含溫度偵測元件,可以預防過負載使用,保護馬達過熱。
智慧型驅動器
a. 適用於許多常用的控制介面,如RS485、標準面板、遠拉面板F306、端子訊號控制 、PLC和人機等方式。
b. 使用220VAC電源,避免需要購置24VDC電源供應器困擾。
c. 驅動器提供24VDC電磁剎車控制電源,可以自動控制馬達煞車。
d. 轉速真實呈現並可輸出轉速訊號供外部控制使用。
e. 無論是在遠拉面板/RS485操控或端子控制,面板均可隨時保持操控的有效性。
f. 閉迴路及開迴路速度控制模式可供選擇,提供多樣化的使用便利性。
g. 類比速度命令方式可分為0-5VDC、0-10VDC和4-20mA。
h. 過電流、過熱、過電壓和馬達堵住保護,避免異常產生時,對產品造成損害。
直流無刷馬達 VS.感應馬達Vs. 有刷馬達
特點
直流無刷馬達
感應馬達
直流有刷馬達
體積小,重量輕
◎
X
△
轉子慣性低
◎
X
△
高速度運轉性能
◎
△
X
無轉子銅損
◎
X
△
高效率
◎
△
△
溫升低
◎
△
X
無整流子,無碳刷摩擦,無火花
◎
◎
X
低速扭力
◎
X
△
免保養
◎
◎
X
過附載能力
◎
X
△
規格
額定輸出
W
60
90
120
180
250
370
馬達型號
AM-60L/M
AM-90L/M/H
AM-120L/M/H
AM-180L/M/H
AM-250L/M/H
AM-370L/M/H
驅動器型號
BL2-101L/M
BL2-101L/M/H
BL2-102L/M/H
BL2-102L/M/H
BL2-104L/M/H
BL2-104L/M/H
D305
輸入電壓
AC
220V ±10%
輸入頻率
Hz
50 / 60
最大輸入電流
(220VAC)
A
2.0
2.5
4.0
4.2
7.0
7.6
馬達相數
3Ø
額定轉矩
kg-cm
2.9/2.0
4.4/2.9/1.5
5.8/3.9/2.0
8.8/5.8/2.9
12.0/8.1/4.0
18.0/12.0/6.0
額定速度
RPM
L:2000 / M:3000 / H:6000
最大效率
%
>80
>80
>80
>80
>80
>80
最大輸出
W
180
220
280
330
520
670
最大轉矩
kg-cm
8.0/5.0
8.8/5.8/3.0
17.0/11.0/5.0
17.6/11.6/5.8
35.0/23.0/11.0
36.0/24.0/12.0
調速範圍
RPM
L:150~2000 / M:150~3000 / H & CM:300~6000
速度變動
RPM
1% 以下(0~額定轉矩在額定速度)
馬達絕緣等級 / 最大工作溫度
B 級(130
o
C/266
o
F) / 最大. 100
o
C/212
o
F
控制方式
矩形波 PWM方式
輸入信號
輸入方式:內部速度設定器 / 外部速度設定器(
2K
Ω以上) / RS-485
保護功能
任何以下情況將會輸出警告信號,馬達停止。
過負載保護功能:馬達工作溫度不超過 120
o
C。
過熱保護功能:驅動器內部過熱自我保護。
欠相保護功能:因電纜斷線,馬達發出的回受信號異常。
相間短路保護。
馬達防水等級
L/M/H: IP40
圖號
1
1
2
3
4
5
4(M/H)
驅動器外型
BL2
10
10
10
10
10
10
D305
13
13
13
13
13
13
馬達重量(AM)
Kg
2.1/2.1
2.4/2.4/2.4
2.6/2.5/2.5
2.9/2.7/2.7
4.0/3.8/3.7
4.5/5.4.0
驅動器重量
Kg
1.1
1.1
1.1
1.1
1.1
1.1
[750~ 2200 ]
額定輸出
W
750
1000
1500
2200
馬達型號
AM-750L/M/H
AM-100L/M/H
AM-1500L/M/H
AM-2200L/M/H
驅動器型號
BL2-107L/M/H
BL2-115L/M/H
BL2-115L/M/H
BL2-122L/M/H
NONE
輸入電壓
AC
220V ±10%
輸入頻率
Hz
50 / 60
最大.輸入電流
(220VAC)
A
11.4
13.6
20.5
30.0
馬達相數
3Ø
額定轉矩
kg-cm
AM:24.4/12.2
AM:32.5/16.2
AM:48.8/24.4
AM:73.2/36.6
CM:36.6/12.2
CM:73.2/24.4
CM:109.8/36.6
額定速度
RPM
L:2000 / M:3000 / H:6000
最大效率
%
>85
>85
>85
>85
最大輸出
W
1300
1700
2300
3000
最大轉矩
kg-cm
AM:70/35
AM:110/55
AM:120/60
AM:180/90
CM:95/24
CM:160/45
CM:210/72
調速範圍
RPM
L:150~2000 / M:150~3000 / H & CM:300~6000
速度變動
RPM
1% 以下(0~額定轉矩在額定速度)
馬達絕緣等級 / 最大工作溫度
B 級(130
o
C/266
o
F) / 最大. 100
o
C/212
o
F
控制方式
矩形波 PWM方式
輸入信號
輸入方式:內部速度設定器 / 外部速度設定器(
2K
Ω以上) / RS-485
保護功能
任何以下情況將會輸出警告信號,馬達停止。
過負載保護功能:馬達工作溫度不超過 120
o
C。
過熱保護功能:驅動器內部過熱自我保護。
欠相保護功能:因電纜斷線,馬達發出的回受信號異常
相間短路保護。
馬達防水等級
L/M: IP54 H: IP40
圖號
AM:6
AM:7
AM:8
AM:9
CM:A/D
CM:B/E
CM:C/F
驅動器外型
BL2
11
11
11
11
D305
13
13
13
13
馬達重量(AM)
Kg
AM:8.0/7.8
9.4/8.7
AM:11.0/9.7
AM:13.2/16.5
驅動器重量
Kg
1.3
1.3
1.3
1.3
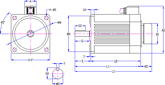
馬達尺寸圖
AM-60~370
Unit: mm
圖號.
P
ØM
ØS
ØN
T
LA
LB
L1
L2
AD
A
B1
B2
Output Shaft End
ED
Q
E
ØD
GA
F
1
90
104
8.5
83
2.5
8
100
128
161
109
27
61
33
20
25
28
12
13.5
4
2
115
147
180
25
29
32
3
14
16
5
AM-750~2200
Unit: mm
圖號.
P
ØM
ØS
ØN
T
LA
LB
L1
L2
B1
B2
AD
AE
LD
Output Shaft End
ED
Q
E
ØD
GA
F
6
130
145
9
110
3.5
12
178
234
268.3
117
34.3
165.5
146
63
35
53
56
19
21.5
6
7
195
251
285.3
80
45
24
27
8
8
212
268
302.3
97
9
232
288
322.3
117
CM-750~2200
Unit: mm
圖號.
P
ØM
ØS
ØN
T
LA
LB
L
AC
AD
AE
LD
Output Shaft End
ED
Q
E
ØD
GA
F
A
175
165
12
130
3.5
13
205
258
142
186
166
67
35
53
53
19
21.5
6
B
239
292
101
45
24
27
8
C
259
312
121
D
287
340
144
67
35
19
21.5
6
E
45
24
27
8
F
296
349
76
驅動器尺寸圖
[FIG-10]
[FIG-11]
[FIG-12]
[FIG-13 ]
D305 接線圖
T/N 曲線 特性曲線
Quick Navigator Menu:
(Right-Click again to close this menu.)