|
|
|
|
> >
> >
|
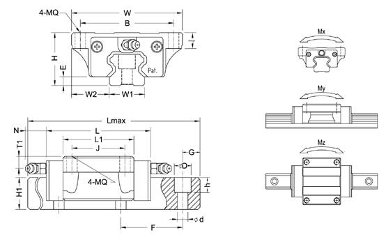
BRH-C & CL

| 型號 |
組合尺寸 |
滑座尺寸 |
滑軌尺寸 |
| H |
W |
W2 |
E |
L |
B×J |
MQ×  |
L1 |
油孔 |
T1 |
N |
W1 |
H1 |
F |
d×D×h |
| BRH 15C |
24 |
47 |
16 |
4.6 |
66 |
38×30 |
Ø4.5×8 |
40 |
Ø3 |
4.3 |
5 |
15 |
14 |
60 |
4.5×7.5×5.3 |
| BRH 20C |
30 |
63 |
21.5 |
5 |
77.8 |
53×40 |
Ø6×9 |
48.8 |
M6×1 |
7 |
15.6 |
20 |
18 |
60 |
6×9.5×8.5 |
| BRH20CL |
| 92.4 |
63.4 |
| BRH 25C |
36 |
70 |
23.5 |
7 |
88 |
57×45 |
Ø7×12 |
57 |
M6×1 |
7.8 |
15.6 |
23 |
22 |
60 |
7×11×9 |
| BRH25CL |
110.1 |
79.1 |
| BRH 30C |
42 |
90 |
31 |
9 |
109 |
72×52 |
Ø9×12 |
72 |
M6×1 |
7 |
15.6 |
28 |
26 |
80 |
9×14×12 |
| BRH30CL |
131.3 |
94.3 |
| BRH35C |
48 |
100 |
33 |
9.5 |
109 |
82×62 |
Ø9×13 |
80 |
M6×1 |
8 |
15.6 |
34 |
29 |
80 |
9×14×12 |
| BRH35CL |
134.8 |
105.8 |
| BRH 45C |
60 |
120 |
37.5 |
14 |
138.2 |
100×80 |
Ø11×15 |
105 |
M8×1 |
8.5 |
16 |
45 |
38 |
105 |
14×20×17 |
| BRH45CL |
163 |
129.8 |
| 型號 |
參考資料 |
基本荷重 (kgf) |
容許靜力矩(kgf×m) |
重量 |
| Lmax |
G |
動額定負荷(C) |
靜額定負荷(CO) |
Mx |
My |
Mz |
滑塊(kg) |
滑軌(kg/M) |
| BRH 15C |
4000 |
20 |
850 |
1350 |
10.1 |
6.8 |
6.8 |
0.21 |
1.4 |
| BRH 20C |
4000 |
20 |
1400 |
2400 |
24 |
14.6 |
14.6 |
0.4 |
2.6 |
| BRH20CL |
1650 |
3000 |
30 |
23.8 |
23.8 |
0.52 |
| BRH 25C |
4000 |
20 |
1950 |
3200 |
36.8 |
22.8 |
22.8 |
0.57 |
3.6 |
| BRH25CL |
2600 |
4600 |
52.9 |
45.5 |
45.5 |
0.72 |
| BRH 30C |
4000 |
20 |
2850 |
4800 |
67.2 |
43.2 |
43.2 |
1.1 |
5.2 |
| BRH30CL |
3600 |
6400 |
89.6 |
75.4 |
75.4 |
1.4 |
| BRH 35C |
4000 |
20 |
3850 |
6200 |
105.4 |
62 |
62 |
1.6 |
7.2 |
| BRH35CL |
4800 |
8300 |
141.1 |
109.8 |
109.8 |
2 |
| BRH 45C |
4000 |
22.5 |
6500 |
10500 |
236.3 |
137.8 |
137.8 |
2.7 |
12.3 |
| BRH45CL |
7700 |
13000 |
292.5 |
210.9 |
210.9 |
3.6 |
|
|
|
|
|
|
|
|
|
|
|