高剛性高扭矩聯軸器 SW

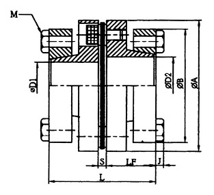
外徑O.D.:outside Diameter 內徑I.D.:Inside Diameter
尺寸表 / Dimension單位/unit:mm
|
規格 NO.
|
A
|
B
|
D1
|
D2
|
L
|
LF
|
S
|
J
|
M
|
螺絲鎖緊力
Screw Tightening Moment
|
|
min
|
max
|
min
|
max
|
|
SW-40
|
40
|
38
|
8
|
16
|
8
|
16
|
35.6
|
16
|
3.6
|
2.8
|
8-M4
|
3.5Nm
|
|
SW-56
|
56
|
48
|
10
|
17
|
10
|
17
|
43.9
|
20
|
3.9
|
4
|
8-M5
|
6 Nm
|
|
54
|
18
|
25
|
18
|
25
|
|
SW-68
|
68
|
54
|
14
|
22
|
14
|
22
|
54.2
|
25
|
4.2
|
4.2
|
8-M6
|
12 Nm
|
|
64
|
24
|
30
|
24
|
30
|
|
SW-82
|
82
|
56
|
16
|
22
|
16
|
22
|
64.8
|
30
|
4.8
|
4
|
8-M6
|
12 Nm
|
|
64
|
24
|
30
|
24
|
30
|
|
69
|
32
|
35
|
32
|
35
|
|
SW-94
|
94
|
58
|
19
|
22
|
19
|
22
|
69.4
|
30
|
9.4
|
4
|
8-M6
|
14 Nm
|
|
68
|
24
|
30
|
24
|
30
|
|
78
|
32
|
40
|
32
|
40
|
|
88
|
42
|
48
|
42
|
48
|
|
SW-104
|
104
|
68
|
24
|
30
|
24
|
30
|
70
|
30
|
10
|
4
|
8-M6
|
14 Nm
|
|
78
|
32
|
40
|
32
|
40
|
|
88
|
42
|
50
|
42
|
50
|
|
98
|
55
|
60
|
55
|
60
|
特性表 / Specification
|
規格 No.
|
常用扭力
Rated Torque
(N.m)
|
最高迴轉數
Max. (rpm)
|
容許偏心
Allowable
Eccentricity
Error(mm)
|
容許角度偏差
Allowable Angular
Error (o)
|
容許軸向位移
Allowable Shaft
End-Play (mm)
|
彈簧定數
Spring Constant
(N-m/rad)
|
軸向彈簧定數
Shaft Spring
Constant (mm)
|
慣性矩
Moment of
Inertia (Kg.m 2 )
|
重量
Weight (g)
|
|
SW-40
|
7
|
10000
|
0.02
|
1
|
± 0.25
|
10000
|
50
|
2.8 × 10-5
|
90
|
|
SW-56
|
25
|
10000
|
0.02
|
1
|
± 0.40
|
16000
|
43
|
12 × 10-5
|
221
|
|
SW-68
|
60
|
10000
|
0.02
|
1
|
± 0.45
|
60000
|
45
|
28 × 10-5
|
400
|
|
SW-82
|
90
|
10000
|
0.02
|
1
|
± 0.45
|
70000
|
60
|
35 × 10-5
|
616
|
|
SW-94
|
180
|
10000
|
0.02
|
1
|
± 0.80
|
140000
|
120
|
108 × 10-5
|
1000
|
|
SW-104
|
250
|
10000
|
0.02
|
1
|
± 0.80
|
160000
|
160
|
115 × 10-5
|
1200
|
特性 / Fratures
- 低慣性無背隙 / Low lnertia, Backlash-free
- 具緩衝抗震功能 / Flexibility and Vibration Resistance
- 錐形固定方式安全可靠 / Secured by Conical Clampling
- 適用於伺服馬達或精密定位傳動 / Applicable for Serve Motor or Precision Positioning Transmission
- 免保養,壽命長 / Maintenance-free; Infinite Life
- 本體鋁合金材質輕量化 / Aluminum Alloy Body; Light-Weight
|