鋼片式聯軸器 CP

特性
一、高傳性:傳動扭矩大、精密迴轉位置御制。
二、部品少:裝卸簡單
三、全金屬性:耐高低溫、塵埃環境使用。
四、部品無磨擦、且無噪音、壽命長。
構造
| 編號 |
名稱 |
材質 |
數量 |
| 1 |
螺栓 |
SCM45 |
4 |
| 2 |
轂 |
S45C |
2 |
| 3 |
連動元件 |
SUS304 |
1 |
| 4 |
襯套 |
S25C |
4 |
| 5 |
尼龍螺帽 |
S25C |
4 |
型式
A:標準型 B:襯套型 |
 |
 

|
型式
|
CP-67
|
CP-81
|
CP-93
|
CP-104
|
CP-126
|
CP-144
|
|
常用扭矩 kg-m
|
4
|
8
|
18
|
25
|
45
|
80
|
|
最高轉速 rpm
|
20000
|
17000
|
15000
|
13000
|
11000
|
9500
|
|
彈簧定數 kgf m-rad
|
0.22*10 4
|
0.63*10 4
|
1.5*10 4
|
2.4*10 4
|
4.3*10 4
|
7.2*10 4
|
|
軸向彈簧定數 kg-mm
|
4.1
|
6.0
|
14.4
|
17.1
|
22.3
|
31.3
|
|
容許軸向誤差 mm
|
±0.8
|
±1.0
|
±1.2
|
±1.4
|
±1.6
|
±1.8
|
|
慣性矩 kg cm 2
|
3.0
|
8.7
|
16
|
26
|
65
|
99
|
|
最大軸向負荷 kgf
|
0.8
|
2.3
|
4.5
|
6.0
|
11
|
20
|
|
重量 kg
|
0.6
|
1.1
|
1.7
|
2.5
|
4.3
|
6.9
|
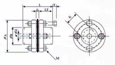
寸法圖 最大容許角度誤差1°
|
型式
|
最小 d
|
最大 d
|
A
|
B
|
L
|
LF
|
S
|
K
|
F
|
M
|
|
CP-67
|
7
|
23
|
67
|
33
|
57
|
25
|
7
|
25
|
13
|
4-M6
|
|
CP-81
|
12
|
32
|
81
|
46
|
58
|
25
|
8
|
30
|
16
|
4-M6
|
|
CP-93
|
12
|
35
|
93
|
51
|
66
|
29
|
8
|
37
|
22
|
4-M8
|
|
CP-104
|
20
|
42
|
104
|
61
|
78
|
33
|
12
|
40
|
20
|
4-M8
|
|
CP-126
|
20
|
50
|
126
|
71
|
94
|
41
|
12
|
44
|
25
|
4-M10
|
|
CP-144
|
20
|
60
|
144
|
88
|
108
|
48
|
12
|
47
|
28
|
4-M10
|
|